Датчик диференційний для низького тиску BFT10-110, -1...0Bar, 4-20mA (2-wire)
Опис
Характеристики
Інформація для замовлення
Датчик диференційний для низького тиску BFT10-110, -1...0Bar, 4-20mA (2-wire)
BFT10-110 — це високоточний диференційний датчик тиску, розроблений для вимірювання малих перепадів тиску в діапазоні від -1 до 0 Bar. Ідеально підходить для застосувань, де потрібна чутливість до низького тиску, стабільність та надійність.

Основні характеристики:
- Діапазон вимірювання: -1...0 Bar
- Тип сигналу: 4–20 мА (2-провідний)
- Міцний і герметичний корпус із алюмінієвого сплаву
Повний перелік технічних характеристик та можливості формування "Коду замовлення" дивитесь у ОПИСІ ГРУПИ "Диференційний датчик серії BFT10-110 для низького тиску"
- Системи вентиляції та кондиціонування повітря (HVAC)
- Контроль фільтрів і тиску в повітроводах
- Лабораторії, медичні заклади, ультра чисті цеха
- Промислові та автоматизовані системи контролю
- Надійна робота при низьких тисках.
- Універсальний аналоговий вихід 4–20 мА.
- Висока точність і надійність
- Захист від короткого замикання та зворотної полярності
- Простота інтеграції в системи контролю
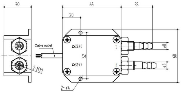
МЕХАНІЧНІ РОЗМІРИ (mm)

З'ЄДНАННЯ
Цей датчик — оптимальне рішення для задач, де потрібне точне та стабільне вимірювання диференційного тиску при низьких значеннях.
Ціна залежить від конфігурації, технічних параметрів або обсягу замовлення. Уточнюйте у менеджера.
| Основні | |
|---|---|
| Виробник | ATEK Sensor Technologies |
| Країна виробник | Туреччина |
| Контрольована середа | Газ, Хладони, Повітря, Рідина, Інертні гази, Масло |
| Максимальна температура навколишнього середовища | 60 град. |
| Максимальна температура робочого середовища | 60 град. |
| Матеріал корпусу | Метал |
| Мінімальна температура навколишнього середовища | -10 град. |
| Мінімальна температура робочого середовища | -10 град. |
| Приєднання | Штуцер під шланг |
| Ступінь захисту IP | 65 |
| Технічні характеристики | |
| Вид вихідного сигналу | Аналоговий |
| Вихідний сигнал | 4-20mA (2-wire) |
| Діапазон тиску | -1...0Bar |
| Користувальницькі характеристики | |
| Електричне підключення | Кабель |
| Клас захисту ІР | IP 65 |
| Мoдель | BFT10-110 |
| Тип тиску | диференційний |
- Ціна: від 4 990 ₴

