Опис
Характеристики
Специфікація
Інформація для замовлення
Програмований контролер Foxtrot CP-1000
Вільно програмовані, універсальні, модульні контролери системи Foxtrot для малих та середніх інсталяцій. Застосовуються в системах автоматизації будівель і споруд. Підтримка 5 мов програмування згідно з стандарту МЕК
Основні характеристики:
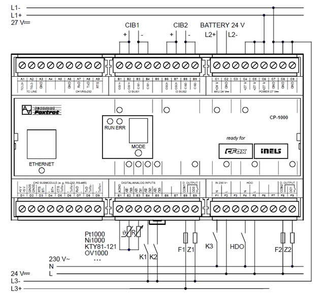
Базовий модуль призначений для використання як основного модуля систем CFox і RFox.
• CP-1001 відрізняється від CP-1000 тільки збільшеною пам'яттю для програм — 384 кB.
• Базовий модуль із 4 універсальними входами, 2 входами ~ 230 В і 2 релейними виходами.
• Універсальні входи можна використовувати як аналогові для під'єднання температурних датчиків
Ni1000, Pt1000 або NTC термісторів 12 доΩ, або бездротових дискретних входів.
• Дискретний вхід ~230 В для під'єднання сигналу HDO — для контролю за електромережею ~230 В.
• Стандартні релейні виходи 250 В AC/3 А.
• Кількість входів і виходів можна розширити, під'єднавши до 10 модулів на шину TCL2 (345 кбіт/с).
• Пам'ять ПЛК може бути розширена картою SD, SDHC або MMC, з вбудованою файловою системою FAT 32
• Вбудований годинник реального часу та календар.
• Базовий модуль містить 2 майстри шини CIB. Дає можливість під'єднати до 64 елементів входів/виходів модулів CFox, без дотримання правил під'єднання та монтажу.
• На клемах CIB + і CIB — створена дводротова шина даних і живлення (малі потужності споживання модулів, не вимагають встановлення модуля відділення BPS2-02M).
• Кількість шин CIB можна збільшити до 10-ї за допомогою майстра шини CIB MI2-02M, під'єднаної за шиною TCL2, загальна кількість під'єднаних модулів представляє макс. 320 единиц CFox.
• CP-1020 додатково містить у собі вбудований майстер бездротової системи RFox з двосторонньою
комунікацією для під'єднання до 64 модулів входів і виходів. Можна під'єднати до 4-х RFox каналів через додатковий Майстер RF-1131, частота радіоканала 868,35 МГц.
• Зовнішні майстри шини CIB (модулі MI2-02M) і системи RFox, (модулі RF-1131), можна комбінувати до макс.кількості — 4 майстри на базовому модулі.
• Вбудований послідовний канал RS232 для під'єднання наприклад, GSM-монітора — для комунікації за допомогою СМС повідомлень. Другий канал CH2 дає можливість добору додаткових модулів інтерфейсів
зв'язку або розширення кількості входів і виходів.
• Програмування та комунікація доступні через мережу LAN, Wi-Fi, WAN, Internet, або Ethernet (100 Мбіт/с), фіксований IP або певний через DHCP.
• Підтримка стандартних протоколів Modbus RTU/TCP (майстер і слейв) і BACnet (сервер). Вбудований WEB сервер, вільне створення вбудованого вебсайту та збереження його на карті пам'яті (XML
технологія).
• Дає змогу створити зручний власний вебсайт кожного ПЛК для керування й диспечеризації об'єкта.
• Можна використовувати його як програмований маршрутизатор або шлюз інтерфейсів або протоколів
між промисловими шинами або локальними мережами.
• Можна використовувати як незалежний програмований реєстратор даних для будь-якого вимірювання або збереження внутрішніх даних разом з інформацією (відміткою) часу для подальшого аналізу.
• Компактні розміри для DIN рейки (9 модулів) для стандартних щитів.
• Базисний модуль живиться напругою від джерела 24 В DC. Під час використання джерела 27,2 В DC, можна під'єднати акумуляторні батареї та забезпечити працездатність усієї системи на час, що залежить від ємності акумулятора.
• CP-1001 відрізняється від CP-1000 тільки збільшеною пам'яттю для програм — 384 кB.
• Базовий модуль із 4 універсальними входами, 2 входами ~ 230 В і 2 релейними виходами.
• Універсальні входи можна використовувати як аналогові для під'єднання температурних датчиків
Ni1000, Pt1000 або NTC термісторів 12 доΩ, або бездротових дискретних входів.
• Дискретний вхід ~230 В для під'єднання сигналу HDO — для контролю за електромережею ~230 В.
• Стандартні релейні виходи 250 В AC/3 А.
• Кількість входів і виходів можна розширити, під'єднавши до 10 модулів на шину TCL2 (345 кбіт/с).
• Пам'ять ПЛК може бути розширена картою SD, SDHC або MMC, з вбудованою файловою системою FAT 32
• Вбудований годинник реального часу та календар.
• Базовий модуль містить 2 майстри шини CIB. Дає можливість під'єднати до 64 елементів входів/виходів модулів CFox, без дотримання правил під'єднання та монтажу.
• На клемах CIB + і CIB — створена дводротова шина даних і живлення (малі потужності споживання модулів, не вимагають встановлення модуля відділення BPS2-02M).
• Кількість шин CIB можна збільшити до 10-ї за допомогою майстра шини CIB MI2-02M, під'єднаної за шиною TCL2, загальна кількість під'єднаних модулів представляє макс. 320 единиц CFox.
• CP-1020 додатково містить у собі вбудований майстер бездротової системи RFox з двосторонньою
комунікацією для під'єднання до 64 модулів входів і виходів. Можна під'єднати до 4-х RFox каналів через додатковий Майстер RF-1131, частота радіоканала 868,35 МГц.
• Зовнішні майстри шини CIB (модулі MI2-02M) і системи RFox, (модулі RF-1131), можна комбінувати до макс.кількості — 4 майстри на базовому модулі.
• Вбудований послідовний канал RS232 для під'єднання наприклад, GSM-монітора — для комунікації за допомогою СМС повідомлень. Другий канал CH2 дає можливість добору додаткових модулів інтерфейсів
зв'язку або розширення кількості входів і виходів.
• Програмування та комунікація доступні через мережу LAN, Wi-Fi, WAN, Internet, або Ethernet (100 Мбіт/с), фіксований IP або певний через DHCP.
• Підтримка стандартних протоколів Modbus RTU/TCP (майстер і слейв) і BACnet (сервер). Вбудований WEB сервер, вільне створення вбудованого вебсайту та збереження його на карті пам'яті (XML
технологія).
• Дає змогу створити зручний власний вебсайт кожного ПЛК для керування й диспечеризації об'єкта.
• Можна використовувати його як програмований маршрутизатор або шлюз інтерфейсів або протоколів
між промисловими шинами або локальними мережами.
• Можна використовувати як незалежний програмований реєстратор даних для будь-якого вимірювання або збереження внутрішніх даних разом з інформацією (відміткою) часу для подальшого аналізу.
• Компактні розміри для DIN рейки (9 модулів) для стандартних щитів.
• Базисний модуль живиться напругою від джерела 24 В DC. Під час використання джерела 27,2 В DC, можна під'єднати акумуляторні батареї та забезпечити працездатність усієї системи на час, що залежить від ємності акумулятора.
Використання:
Для керування й контролю автоматичних процесів технологічних частин будівель і житлових будинків і вирішення завдань різної складності, коли необхідний зв'язок з іншими системами насамперед через комунікаційні інтерфейси.
Базовий модуль можна програмувати в середовищі IDM і в середовищі Mosaic.
Під'єднання:

| Основні | |
|---|---|
| Виробник | Teco (Tesla) |
| Країна виробник | Чехія |
| Тип управління | Автоматичне |
| Тип монтажу | На DIN рейку |
| ПІД-регулятор | Так |
| Захист паролем | Так |
| Вбудований годинник | Так |
| Підключення модулів розширення | Так |
| Вага | 0.25 кг |
| Умови експлуатації | |
| Мінімальна температура зберігання | -25 град. |
| Максимальна температура зберігання | 70 град. |
- Ціна: Ціну уточнюйте


Відправка з 21 березня 2026