Основні характеристики
• UC-1203 модуль призначений для розширення каналів зв'язку на базовому ПЛК Foxtrot для MP-Bus шини фірми Belimo, яка призначена для керування положенням клапанів і повітряних заслінок.
• Живлення шини MP-Bus 24 В постійного або змінного струму.
• На одну шину можна під'єднати до 8 клапанів Belimo MFT.
• До кожного клапана може бути під'єднаний датчик температури (Ni1000 Pt1000, OV1000) або керівний сухий контакт.
• Виміряна температура (або стану контакту) передається в ПЛК, де доступні як стандартне аналогове входження.
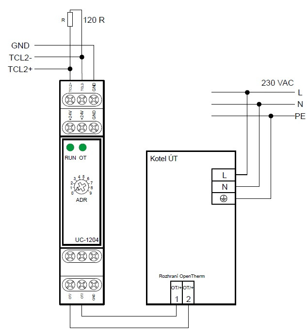
• UC-1204 модуль, призначений для розширення каналів зв'язку на базовому ПЛК Foxtrot OpenTherm протоколом для двостороннього зв'язку з котлом, моделі якого обладнані цією можливістю.
• Підтримувані протоколи OT/+ (OpenTherm/plus) i OT/- (OpenTherm/Lite)
Монтаж — під'єднання
• Механічна конструкція дає монтаж на ДІН рейку.
• Модулі використовуються як модулі розширення до шини.
• Під час встановлення UC-1203, використовувати тип і довжину кабелю згідно з специфікацій шини MP-Bus ( рекомендовано використовувати оригінальні матеріали фирмы Belimo)
• Під час встановлення UC-1204 використовувати 2-жильний кабель із максимальною довжиною 50 метрів і опором до 2 × 5 Ω, будь-якої полярності.
Застосування
• Для вимірювання й контролю систем опалення (HVAC).
Приклад під'єднання UC-1203 (MP-Bus)

Ціна залежить від обраних розмірів/матеріалів/опцій та буде уточнена після замовлення
| Основні | |
|---|---|
| Виробник | Belimo |
- Ціна: Ціну уточнюйте



Відправка з 21 березня 2026